ベストスタンダードルーバーブリンカース
ブリンカースLDは、ブリンカースに統合されました。

どんな建築部位にもフィットする目隠しルーバーのスタンダード
高い安全性と施工性、豊富なパネルバリエーションと表面処理技術を持つ目隠しルーバー。
特長
高層建築にも対応、信頼の安全性
アルミ押出材製パネルを"ABN応力分散ゆるみ止め固定"でしっかり固定する安全設計。高所の過酷な諸条件をクリアする、確実な施工をお約束します。
全33タイプの豊富なバリエーション
落ち着きのあるスタイリッシュなものからデザイン性のある華やかなものまで幅広い演出が可能です。
特注デザインにも対応します。

新宿リサイクル活動センター(東京)
BLU-5012

深田電機本社ビル(愛知)
BLD-3050E 木目調塗装
風騒音配慮型をラインアップ
風騒音が鳴りやすいハネ形状のルーバーについては、自社風洞実験に基づいた信頼性のある"風騒音配慮型"を2タイプ(BLW-100、BLJ-5012)ラインアップしています。
風洞試験データ(社内試験による)

※暗騒音とは風洞内に試験什器を設置していない風騒音のことです。
取付ピッチを自由に設定
嵌合固定と異なり、弊社独自のステンレスSBNボルト固定構造で自由なパネルピッチで設計が可能です。
施工事例


京都競馬場
BLA-100・フッ素焼付塗装 特注色


札幌競馬場パドックビジョン新築に伴う建築工事
BLD-5050、BLD-3010、BLD-3075Eランダム張り・BO3、BO2、BOS


トヨタ南海グループ 事務本館
BLD-50E・BO-S
BIMデータお問い合わせ
BIMデータをご用意しています。
設計支援ツールとして、ご活用ください。
- ●対応ソフト:Revit(Autodesk)
- ●ファイル形式:RFA
※Revit 2024 以上で使用可能です。
お手数ですが、BIMデータ依頼の旨をご記載のうえ、お問い合わせください。
記入例

カラー
不燃木目シート貼
貼付可能形状(全15種)
BLD-3050E、BLD-5050、BLD-5060、BLD-1050、BLD-3060、BLD-3075E、
BLD-3010、BLD-50E、BLN-70、BLC-100、BLD-6012、BLO-50、BLLD-3015D、BLLD-5015D、BLLD-3020D
- ルーバーカラーランダム張りプラン「アットランダム」
-
「アットランダム」は、ランダム張りの色選定にかかる労力を低減するために、自然界の素材をイメージし、調和のとれた4色をランダムに配置した6種類のベースプランをご用意しました。濃淡も選択できるよう、標準(±0)に加え4色の組み合わせ比率を変えた、濃(+2、+1)と淡(-2、-1)もラインアップ。手軽に美しく調和のとれたランダム張りを実現できます。
納まり
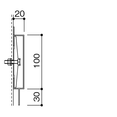
BLA-100
(高層対応可能)
標準ピッチ:120mm(開口率53%)
定尺:L≦5,000mm
板ナット:ABN-40
R加工:r≧5,500mm(※製品寸法がL≦3,000の場合)
※目隠しとしてご使用の場合、裏面からの光で胴縁の影がうつることがあります。
BLW-100
(風騒音対策型)・(高層対応可能)
標準ピッチ:120mm(開口率42%)
定尺:L≦5,000mm
板ナット:ABN-40
R加工:不可
※目隠しとしてご使用の場合、裏面からの光で胴縁の影がうつることがあります。
オプション
ルーバー用アルミストリンガー
片側の胴縁面が大きいため、通常の下地ストリンガーとしての使用の他にスラブ~スラブ間に縦貼りで施工の場合に上下2ヶ所ずつ、計4ヶ所の固定が可能です。
安全対策
耐風圧強度検討
外装目隠しルーバーのご採用にあたっては、耐風圧強度計算を実施し、安全な使用設計のご検討をお願いいたします。

耐風圧強度検討書

設計風圧力算定結果
耐風圧強度計算などお気軽にご相談ください!
目隠しルーバーの施工では耐風圧強度計算により、適正な同縁ピッチ、同縁固定ピッチの選定をお願いします。
詳しい計算方法や、個別案件における「耐風圧強度検討書」の提出についてはお気軽にお問い合わせください。
高層仕様について
高層階へのルーバー設置や風圧力が大きい現場条件を考慮した安全・安心な仕様です。
対応ルーバー:BLD-50E、BLD-6012、BLA-100、BLW-100
| 適応条件 |
|
|---|---|
| 安全設計 |
ルーバーの固定には緩み止め効果の高いSKロックナットを使用 ルーバーには落下防止ワイヤーを設置(たわみが1mm以下となる場合は不要) ルーバーには振れ止め材を設置(ストリンガーピッチ@1,500mmを超える場合) |
| 強度計算 | 安全を見込み 風圧力×1.2倍の設計風圧力で計算 |
応力分散ゆるみ止め固定
"応力分散ゆるみ止め固定"は、さまざまな過酷な状況(車のショックアブソーバーにも多数使用)で実績のある、非常に信頼性の高いハイグレードなゆるみ止め固定構造です。
ABC専用SKナット
断面図

3次元光弾性写真

座面圧力:
面外周部まで分散し働いている。
軸に対して、対称分散を示している。
一般的なフランジ付きナット
断面図

3次元光弾性写真

座面圧力:
ネジ部直下に集中し、座面外周部まで働いていない。軸に対して、非対称分散を示している。
ABC専用SKロックナット

SKナットは応力分散ゆるみ止め固定ができるナットです。この応力分散ゆるみ止め固定機能にフリクションリングを一体化したものがSKロックナットです。現場でのパネル固定に使用します。更なる安心と信頼・強力なゆるみ止め効果を期待できます。

3枚羽根のフリクションリング(特殊ばね)の螺旋形状が、安定した緩み止め性能を実現します。
また、座面側に"ざぐり部"を設けることにより、締付け時のボルト各部への応力集中ボルト折損事故を防ぎます。
落下防止ワイヤー/振れ止め材

万が一のルーバー材落下を防止する落下防止ワイヤーと、ルーバーの撓みを抑制する振れ止め材によって安全性をアップ。





















































































