面状格子ルーバーダミエラブリズ
本製品の一部(カラー・工法など)は2025年10月をもって廃番となりました。
詳しくは廃番品リストをご確認ください。
伝統の格子柄を魅せるダミエラを進化させた
両面から見て美しい面状格子間仕切り
特長

両面から見て美しい面状格子間仕切り
格子柄の伝統模様をモチーフとしたダミエラ。「片流れデザイン」が大半を占める目隠しルーバーの選択肢の中で革新的なルーバーです。
そのダミエラを進化させた表裏両面から見ても美しい面状格子間仕切りです。
用途によって選べる2タイプをご用意
屋外用
- 「自立フェンス仕様」
-
・使用例:
個人邸エントランスなど
屋外・屋内用
- 「間仕切り仕様」
-
・使用例:
エントランス化粧間仕切り、収納間仕切りなど
徹底してこだわった細部の納まり
直線のディテールを限界まで排したデザインが特徴です。
・端部には表裏リーフパネルが曲線でつながる側面パネル「サイドリーフ」を採用。

「サイドリーフ」
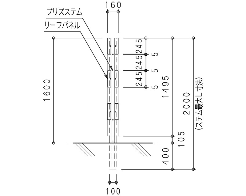
・両面パネルを実現するための「ブリズステム」の形状は直線性を排した有機的なデザインです。
屋内用間仕切り仕様のステム固定用のブラケットとランナーは、部材が目立ちにくいよう配慮しています。

「ブリズステム」

屋内用「間仕切り仕様」
ステム固定用のブラケット・ランナー
4パターンの開口率を自由に選択
開口率を上げ、開放性を確保することで、バルコニーや屋外階段の床面積不算入が可能となります。
床面積の基準は、自治体により異なりますが、条件にあわせ開口率をお選びいただけます。

開口率36%

開口率50%

開口率65%

開口率80%
セーフティパネル
人がパネルに足を掛けてよじ登れないようにするための安全対策オプション仕様です。
低層部などの足掛かり防止としてご使用ください。


施工事例


潮風公園管理所 DPL-245・ベルベットシルバー


株式会社ラスコジャパン事務所 新築工事 DPL-245・チタニウムホワイト
BIMデータお問い合わせ
BIMデータをご用意しています。
設計支援ツールとして、ご活用ください。
- ●対応ソフト:Revit(Autodesk)
- ●ファイル形式:RFA
※Revit 2024 以上で使用可能です。
お手数ですが、BIMデータ依頼の旨をご記載のうえ、お問い合わせください。
記入例

デザイン
ランダム張り 施工イメージ

モノクロ調 1

モノクロ調 2

アースカラー 1

アースカラー 2

アースカラー 3

木目調
カラー
納まり
スタンダードグリッドプラン
デザイングリッドプラン
安全対策
風洞試験

ダミエラは、大型風洞装置による実環境試験を実施し、風速約20m/sまで風騒音が発生しないことを確認しています。
※試験計画上、横方向に設置しています。
(ダミエラは、縦方向のみのご対応となります。)
耐風圧強度検討
外装目隠しルーバーのご採用にあたっては、耐風圧強度計算を実施し、安全な使用設計のご検討をお願いいたします。

耐風圧強度検討書

設計風圧力算定結果
耐風圧強度計算などお気軽にご相談ください!
目隠しルーバーの施工では耐風圧強度計算により、適正な同縁ピッチ、同縁固定ピッチの選定をお願いします。
詳しい計算方法や、個別案件における「耐風圧強度検討書」の提出についてはお気軽にお問い合わせください。
応力分散ゆるみ止め固定
"応力分散ゆるみ止め固定"は、さまざまな過酷な状況(車のショックアブソーバーにも多数使用)で実績のある、非常に信頼性の高いハイグレードなゆるみ止め固定構造です。
ABC専用SKナット
断面図

3次元光弾性写真

座面圧力:
面外周部まで分散し働いている。
軸に対して、対称分散を示している。
一般的なフランジ付きナット
断面図

3次元光弾性写真

座面圧力:
ネジ部直下に集中し、座面外周部まで働いていない。軸に対して、非対称分散を示している。






















